整个设计是从材料试验开始的。我们希望寻找一种可以胜任空间中所有部位的主材。在尝试各种材料之后,我们选定了桦木多层板。
▼办公室空间

第二步我们由场地的柱网尺寸细分得出所有零件基本模数,根据这套模数确定零件的基本骨架间距。再按照不同的受力关系确定所使用板材的厚度,最终深入到节点确定材料之间的连接关系。于是形成了空间中的各种零件:桌、椅、架、墙、门、隔断,以及空间装置。
▼由模数确定空间基本骨架间距


这样的设计步骤使所有的零件成为一个完整的系统,并可以与场地的模数完美匹配。有了这套零件系统之后,我们就可以应付复杂的功能划分,以及多变的使用需求。空间的整体布局遵从一个小城镇的规划逻辑。它的空间系统由主路、支路、广场、街区、公园和纪念物组成。
▼办公室布局灵感来源于小城镇规划

我们在入口区域设计了也是空间系统中最开放的部分:“咖啡广场”。这是这个小城镇的“居民”每天的必经之路,也是交流、休息、聚会和接待访客的场所。广场的核心是一个复杂结构组成的线性咖啡吧台,我们引入了类似桥梁结构的钢结构悬挂系统,使它匹配这个室内广场空间的尺度。同时我们设计了可以任意组合的座凳,形成广场上不断变化的景观。
▼开放的“咖啡广场”


▼线性的咖啡吧台


展厅紧邻广场,是城镇中的“精神空间”。它被设计成一个望向广场的玻璃盒子。在这里,我们将家具的模数单元分的更小,形成可以拼插组合的模块。由此适应不同尺寸的展品及各种展览场景。
▼“精神空间”


由广场可以通向各个部门的办公“街区”,在到达这些街区之前,我们设置了大大小小的缓冲空间,这里是办公室中的“公园”。公园中有可供随时停留、讨论的坐席和书写板。在公园的中心放置了有趣的空间装置。这些装置如同城市中的“纪念碑”,提示出不同区域的入口。
▼办公“街区”



▼收纳家具


街区内部的办公家具并没有明显的工位边界。桌腿充分后退,这为工位的布置带来了灵活性。同样宽度的长桌可以在企业发展的不同阶段提供给一人、两人或三人办公。核心研发部门也有自己的缓冲空间和开放讨论区,并有开阔的景观视野。收纳家具也具有更高的组合灵活度。
▼较为私密的办公空间


在这样的规划思路下,三顿半上海办公室能够提供给所有员工不同私密度的、灵活的工作场景。丰富的空间细节也会为每一个从事创造性劳动的工作者带来日常的愉悦感。
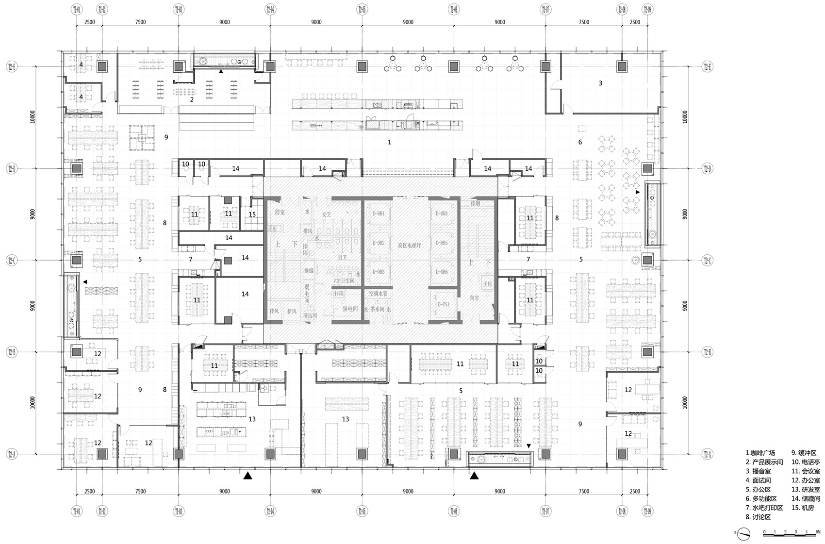
▼平面图

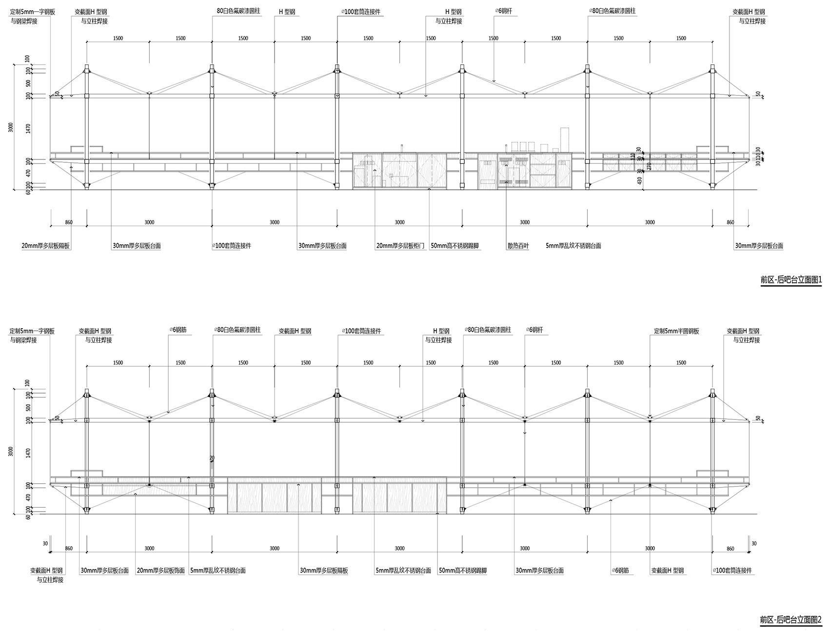
▼吧台立面图

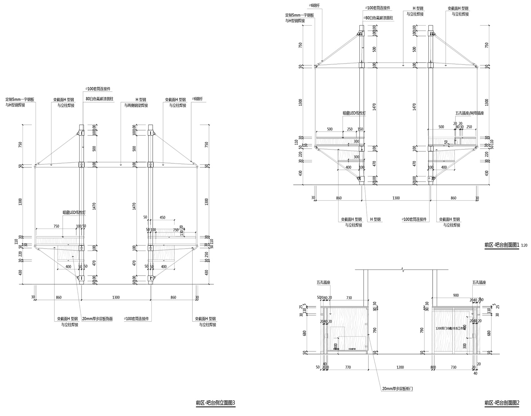
▼吧台剖面图

▼吧台灯具图

▼家具表

项目名称:三顿半上海办公室
项目类型:办公空间设计、办公室设计、三顿半
项目地址:中国 · 上海
客户:三顿半咖啡 | 李海蛟、庄尼
室内设计/软装设计:空间站建筑师事务所
主创设计师:汪铮
项目负责人:王方超
设计团队:易琼、杨杰、靳赛赛、王静静、龚青霞
施工图负责人:许辉
给排水设计:张沙
暖通设计:卢芊
电气设计:闫天雄
建筑面积:1978.5㎡
设计年份:2022.05-2022.07
建成年份:2022.12
摄影版权:金伟琦
品牌:桦木多层板:东莞知木木业
DESSO针刺植绒地毯:北京腾顺飞装饰材料有限公司
水泥板:上海绿活新型建材有限公司
感写观览、登录灵感LAB账号、点击文章顶部?可收藏案例
更多该设计公司案例,请点击 → 空间站建筑师事务所
©非特殊说明,文章版权归原作者所有
编辑版权©灵感LAB,欢迎转发,禁止以灵感LAB编辑版本进行任何形式转载

关注公众号

关注抖音号